真空吸盤-抗靜電低印痕 (VACUUM PADS)

  • 真空吸盤PJ系列
  • 真空吸盤PJ系列
  • 真空吸盤PJ系列
  • 真空吸盤PJ系列

真空吸盤PJ系列

  • 妙德真空吸盤PJ系列:雙層型吸盤
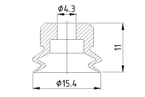
  • 真空吸盤規格: 如下圖
  • 服務:提供客戶各種真空吸盤材質予以應用,像是NBR、Silicone、VITON、FKM、導電NBR、導電矽膠、抗靜電ESD、無印痕吸盤,提升生產良率並且改善了生產時的印痕…等項目。歡迎與我們聯絡

產品資訊

 

吸盤型號 照片 尺寸圖 備註
PJ2-02 真空吸盤 PJG-2 真空吸盤 PJG-2 PJG-02
PJ2-04 真空吸盤 PJG-4

代ZP2-B04MB

PJG-04

PJ2-06 真空吸盤PJG-06 真空吸盤PJG-06

ZP2-B06MB

PJG-06

PJ2-08

 

真空吸盤PJG-08 真空吸盤PJG-08

ZP2-B08MB

PJG-08

S2-08.5 真空吸盤S2-08.5 真空吸盤S2-08.5  
PJ2-10 真空吸盤PJG-10 真空吸盤PJG-10

ZP2-B10MB

PJG-10

PJ2-15 真空吸盤PJG-15 真空吸盤PJG-15

ZP2-B15MB

PJG-15

PJ2-20 真空吸盤PJG-20 真空吸盤PJG-20

ZP2-B10MB

PJG-20

PJ2-25 真空吸盤PJG-25 真空吸盤PJG-25 PJG-25
PJ2-30 真空吸盤PJG-30 真空吸盤PJG-30 PJG-30
PJ2-35 真空吸盤PJG-35 真空吸盤PJG-35 PJG-35

PJ2-40

 

真空吸盤PJG-40 真空吸盤PJG-40 PJG-40
PJ2-50 真空吸盤PJG-50 真空吸盤PJG-50 PJG-50

PJ2-60

 

PJG-60 PJG-60

PJG-60

PJ2-60A 真空吸盤 PJG-60A 真空吸盤PJ2-60A PJG-60A
PJ2-70 吸盤 吸盤PJ2-70  
PJ2-80 真空吸盤 PJG-80 真空吸盤 PJG-80 PJG-80

 

關聯應用

真空吸盤

真空吸盤-抗靜電低印痕

真空吸盤海綿

真空吸盤海綿(真空吸盤接頭)

吸盤中空螺絲

吸盤中空螺絲(真空吸盤接頭)

 
回列表