真空吸盤-抗靜電低印痕 (VACUUM PADS)

首頁> 產品專區> 真空吸盤-抗靜電低印痕 (VACUUM PADS)> 吸盤中空螺絲(真空吸盤接頭)
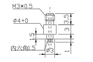
  • 吸盤中空螺絲(真空吸盤接頭)
  • 吸盤中空螺絲(真空吸盤接頭)
  • 吸盤中空螺絲(真空吸盤接頭)

吸盤中空螺絲(真空吸盤接頭)

金具自動化機械零配件

真空吸盤螺絲(真空吸盤接頭、吸盤金具、吸盤座)是真空吸

盤與真空器件之間連接部件,有效應用可以連接多種型式真空吸盤(如SMC、CONVUM、PISCO),採用模組化設計,設計真空系統時可以更有效率進行多種工業用真空吸盤規格優化組合。

產品資訊

 

螺絲規格 圖面 吸盤通用規格
TN-PS-2A-M3

吸盤螺絲 M3002

PF1-1.5A

PF1-2A

PF1-3.5A

PJ2-04

S3-04

                

TN-PS-2A-M3F 吸盤螺絲 M3002-2 PF1-2A
TN-PF-03.5-A8  吸盤螺絲 M8       PJ2-02
TN-S1-1.6-A3

中空螺絲M3003

S1-01.6

TN-S1-05B-A3

004

 
TN-AU6-A5 TN-AU6-A5044-1  
TN-U4-A3 006

04PU管用

(M3接頭)

FVPE2 M3

VR1-01

VR1-02

VR1-03

VR1-04

螺絲 ZP2A-S01P 螺絲 ZP2A-S01P ZP2-04S
螺絲 M3-4 螺絲 M3-4                                                                                         012  
TN-S1-7.6-A3 TN-S1-7.6-A3                                                                                  013  
ZP2A-S11 螺絲 ZP2A-S11                                                                 011B  
螺絲 TN-P3-2A-M4 M4-003M4-003  
TN-S2-35-A8 TN-S2-35-A8         M8-003  
TN-ZPT3-B8 TN-ZPT3-B8M8-004-2  
TN-PF-50-A8 加長版 TN-PF-50-A8 加長版      M8-005-1 TN-PF-50-A8 加長版
 ZDT5-B5 ZDT5-B5          M8-006  
ZDT5-B01 ZDT5-B01      M8-006-1  
螺絲 TN-B6A8-20L 螺絲 TN-B6A8-20L   M8-016  
TL-U4-A3 M3-007

04PU管用

(L型M3接頭)

TN-N4-B4 TN-N4-B4M4-007  
M4-12 M4-12008  
TN-ZP3A-T1-A3 螺絲 TN-ZP3A-T1-A3         M3-008  
螺絲 TN-SA1-06-A3 螺絲 TN-SA1-06-A3M3-016  
螺絲 TN-PJ-04-A3 螺絲 TN-PJ-04-A3M3-020  
螺絲 TN-PJ-04-A3 7.7L 螺絲 TN-PJ-04-A3 7.7L020-1  
FVPE6-M5 吸盤螺絲 M5034

 VR1-06 

VR1-08

FVPE6-M5-1 吸盤螺絲 M5034-1 S1-06A
FVPME6-M5Q 吸盤螺絲 M5034-2  
FVPME4-A5 吸盤螺絲 M5034-3  
SA-NIP-N016-M5-AG-L30 吸盤螺絲 M5035-1  
TN-PS-10-A5

吸盤螺絲 M5004

PF1-5A

PF1-6A

PF1-8A

PF1-10A

PF1-15A

TN-PA-10-A5 11L 吸盤螺絲 M5002-1  
TN-ZP3A-T3-A5 吸盤螺絲 M5004-1 ZP3A-T3-A5
TN-6.3-A5 螺絲 TN-6.3-A5                 004-3  
TN-ZP2A-M02 ZP2A-M02004-2 ZP2A-M02
TN-PS-10-B5 TN-PS-10-B5004B

PF1-5A

PF1-6A

PF1-8A

PF1-10A

PF1-15A

ZP2A-M04

螺絲 TN-ZP3A-T3-B5       螺絲 TN-ZP3A-T3-B5      004B1

ZP1-10UM

ZP1-13UM

ZP1-16UM

ZP2-10B

ZP2-13B

ZP2-16B

 TN-PA-10-A5 吸盤螺絲 M5002

PF1-5A

PF1-6A

PF1-8A

PF1-10A

PF1-15A

TN-PA-10-A4 吸盤螺絲 M4M4-005 PA-10-A4
M4-08A 螺絲 M4-08A       M4-006  
TN-PF-15-A5  吸盤螺絲 M5005

PF1-15

PJ2-15

ZP2A-M05

TN-PS-15J-A5 吸盤螺絲 M5005-4  
螺絲 FVPE2 M5 螺絲 FVPE2 M5      006  
VPM46-6 吸盤螺絲 M4-001001  
TN-PF-30-A5 吸盤螺絲 M5001 PF1-20
TN-PF-15-A5 L14  TN-PF-15-A5 L14005-1  
TN-S1-23-A5 TN-S1-23-A5029  
TN-PC-10-A5 吸盤螺絲 M5M5-008 PC3-10
TN-ZP3A-T2-A5 吸盤螺絲 M5027-1  
TN-ZPT2-A6-1 吸盤螺絲 M6027-1  
TN-ZP3A-T2-A5-1     吸盤螺絲 M5027 ZP3A-T2A5
TN-ZP3A-T2-B5 吸盤螺絲 M5027-2  
TL-U6-A5 中空螺絲020

06PU管用

(M5接頭)

TL-U6-A5-1 中空螺絲020-1  
TL-U4-A5 015

04PU管用

(M5接頭)

TN-N4-B5 TN-N4-B5015-1  
螺絲 TN-N4-A5 TN-N4-A5015-2  
TN-ZPT1-A5  ZPT1-A5009

ZU1-02

ZU1-04

ZU1-06

ZU1-08

ZU1-12

ZPT1-A5

TN-ZPT1-B5  ZPT1-B5009-1 ZPT1-B5
TN-ZP2A-M03 吸盤螺絲 M5028

ZP2-B20MT

ZP2-B25MT

ZP2-B30MT

ZP2A-M03

TN-ZP2A-M03-L17.5 吸盤螺絲 TN-ZP2A-M03-L17.5 028-1  
TN-PF-20-A5 003

PF1-20

PJ2-20

PJ2-25

PC3-20

TN-JF40-B01 TN-JF40-B01B01-001  
ZP3PA-T1JT-BG01 ZP3PA-T1JT-BG01 B01-007  
TN-ZPT3-A5  012 ZPT3-A5 
TN-ZPT3-B5 012-1 ZPT3-B5
TN-F30MF-A5 013 F30MF-A5
TN-F30MF-A5-1 014 F30MF-A5-1
TN-PF-20-B5A5 吸盤螺絲016  
TN-PF-20-B5B5 M5-016-1016-1  
TN-PF-20-B5B6 M5-016-2016-2  
TN-PF-20-B5A5 L15 螺絲 TN-PF-20-B5A5 L15016-4  
R03U4B3 R03U4B3  
RB5B5B5C 吸盤固定座 RB5B5B5C      
TN-ZP3A-T4-A5-1 ZP3A-T4-A5-1031 ZP3A-T4-A5-1
 ZP3PA-T1-A5  ZP3PA-T1-A5    31-1 FOR ZP1-20PT、ZP1-25PT、ZP1-24B
 ZP3PA-T1-B5  ZP3PA-T1-B5    31-B

FOR ZP1-20PT、ZP1-25

PT、ZP1-24B

TN-PS-2A-M5 021 TN-PS-2A-M5
TN-PF-03.5-A5-1 021-1 TN-PS-2A-M5-1
螺絲 TN-PS-2A-M5F 螺絲 TN-PS-2A-M5F                                                                                 021-2  
TN-S1-27-A5 (外六角頭)  022-1 S1-27

TN-ZPT2-B5

中空螺絲B5023-1

ZU1-10

ZU1-13

ZU1-16

ZPT2-B5

TN-ZPT2-A5 螺絲 TN-ZPT2-A5023-2  
B30MF-A5 024 B30MF-A5
ZP2A-S12 螺絲 ZP2A-S12                                                                                     047B  
ZP2A-S13 螺絲 ZP2A-S13                                                                                                                                                            048B  
ZP2A-S14 螺絲 ZP2A-S14                                                                                                                                                            049B  
ZP2A-S15 螺絲 ZP2A-S15                                                                                                                                           50B  
螺絲 M5-11A     螺絲 M5-11A    M5-024-1  
TN-B6A5 吸盤中空螺絲025 M5轉M6
TN-VE-20-A5 吸盤中空螺絲026 橢圓吸盤用
TN-VE-10-A5 吸盤中空螺絲026-1 橢圓吸盤用
TN-VE-B5 TN-VE-B5026-0  
螺絲 TN-VE-B5L(雙層20mm以上專用) 螺絲 TN-VE-B5L(雙層20mm以上專用)      026-2  
螺絲 ZP2A-001 (10mm專用)    螺絲 ZP2A-001 (10mm專用)   026-3 ZW1-3507W
ZW1-4010W
ZW1-5010W
ZW1-6010W
螺絲 TN-VE-A5L 螺絲 TN-VE-A5L026-6  
TN-ZP3A-T1-A6-B3 TN-ZP3A-T1-A6-B3015 ZP3A-T1-A6-B3
TN-U6-A6  TN-U6-A6 014  
螺絲 TN-S1-10F-M6 螺絲 TN-S1-10F-M6                     021  
FH-B6-A6 搖擺型接頭 M6006 搖擺型接頭 M6
TN-S1-30-A5 中空螺絲M5010 S1-30
TN-PF-15-A6 中空螺絲M6010 PF1-15
TN-VR-20-A6 中空螺絲M6012 VR1-20
快速接頭 L-06-A6 TL6-M6M013 TL6-M6M  
快速接頭 L-04-B6(內牙型) 快速接頭 L-04-B6(內牙型)  013-4  
快速接頭 06-A6(標準型外六角) 快速接頭 06-A6(標準型外六角)                                                                      013-5  
快速接頭 PC4-M6 快速接頭 PC4-M6                                                                 013-6  
L型快速接頭 RL6-02 L型快速接頭 RL6-02A02-001-1  
快速接頭 06-A6(迷你型) 快速接頭 06-A6(迷你型)013-2  
TN-PF-20-A6 中空螺絲M6003 PF1-20
TN-PF-25-A6 中空螺絲M6003-1  
TN-S1-58-A6 中空螺絲M6034 SFG-60-2      
TN-PC-30-A6 中空螺絲M6001 PC3-30
螺絲  FSPH20-M6 螺絲 TN-PC-30-M6                                                                                  M6-028  
VPM610-15 螺絲 VPM610-15                                                                                                                                                                                                                                                M6-029  
TN-S1-16.5-A6 螺絲 TN-S1-16.5-A6                                                                                                                                                                                                                                       M6-030  
螺絲 TN-VE-10-A6 鋁 螺絲 TN-VE-10-A6 鋁                                                                                                                                                                                                                                        M6-032  
逆止閥 ZP2V-B6-05 逆止閥 ZP2V-B6-05                                                                                                                                                                                                                                                                                                               M6-033  
逆止閥 ZP2V-B5-A605 逆止閥 ZP2V-B5-A605                                                                                                                                                                                                                                                                                                                   M6-033-1  
ZP2V-M6-07 逆止閥 ZP2V-M6-07                                                                                                                                                                                                                                                                                                             033-2_07  
調整柱 TN-A6-B5鋁黑 調整柱 TN-A6-B5鋁黑                                                                                                                                                                                                                                   M6-031  
TN-PA-30-A6 中空螺絲M6011 PA1-30
TN-PF-50-A6 中空螺絲M6004 PF1-50
TN-ZPT3-A6-1 005 ZPT3-A6-1
TN-ZPT3-A6-2   短牙ZPT-32-A6-6L   005-2 ZPT3-A6-2
TN-ZPT3-A6 005-1 ZPT3-A6
TN-B30MF-A6  007 B30MF-A6 
TN-PA-30B-A6 M6-008 TN-PA-30-M6
TN-S1-27-A6 (外六角頭)  009  
TN-ZPT4-A8 002

ZC1-40

ZC1-50

ZU1-40

ZU1-50

ZPT4-A8

 

TN-S2-35-A8 003  
TN-ZPT3-A8(內M5牙) 004

ZP20~32

ZPT3-A8

TN-ZPT3-A8-1 螺絲M8004-1 ZPT3-A8-1
螺絲 φ23*38.8 螺絲M8M8-008  
螺絲 06-AG 1/8-AL 螺絲 06-AG 1/8                                                                                     
TN-PJ-60-A8

TN-PJ-60-A8009

 
TN-PC-30-A8 TN-PC-30-A8010  
TN-PF-03.5-A8 TN-PF-03.5-A8   M8-012  
TN-PF-B6A10 真空吸盘S3-04B6A10-001 M6>M10
TN-ZPT4-B01 中空螺絲B5B01-002

ZU1-40

ZU1-50

ZPT4-B01

TN-PF-50-A8 中空螺絲M8005

PF1-50

S1-60

S1-80

TN-F30MF-A8 中空螺絲M8001 F30MF
TN-ZP3A-T2-A10-B5 TN-ZP3A-T2-A10-B5004 ZP3A-T2-A10-B5
TN-ZP3A-T2-A10-04 TN-ZP3A-T2-A10-04004-1 ZP3A-T2-A10-04
TN-PC-90-A10 TN-PC-90-M10002 TN-PC-90-M10
TN-ZPA-T1-B8 螺絲M8B08-001

ZP2用鋁塊

ZPA-T1-B8

FVPL15-B8 螺絲M8 FVPL15-B8  B08-002 VL2-08
ZPT4-B8 螺絲M8M8-013 ZPT4-B8
TN-PJ60-B10 TN-PJ60-B10B10-001  
TN-PN-107-M10 TN-PN-107-M10B10-002 TN-PN-107-M10
SA-NIP-N019-M10-IG SA-NIP-N019-M10-IGB10-004  
螺絲 ZP2A-Z31-1P

ZB5-15ZJ

螺絲 ZP2A-Z31-2P

ZB5-20ZJ
螺絲 ZP2A-Z31-3P

ZB5-30ZJ
螺絲 ZP2A-Z31-4P

ZB5-40ZJ
螺絲 ZP2A-Z31-5P

ZB5-46ZJ
TN-ZP3A-T3-A12-B5 TN-ZP3A-T3-A12-B5003 ZP3A-T3-A12-B5
TN-ZP3A-T3-A12-04 TN-ZP3A-T3-A12-04003-1 ZP3A-T3-A12-04
TN-ZP3A-T3-A12-06 TN-ZP3A-T3-A12-06003-2 ZP3A-T3-A12-06
TN-PFYK-120-B16 中空螺絲M16B16-001

PF1-120

PF1-150

PF1-200

TN-PFYK-120-M16F

螺絲 12mm磁吸座             TN-PJ60-B10011  
快速接頭 TSH4-M5M MINI 接頭  017 TSH4-M5M MINI 接頭
快速接頭 TS4-M5M MINI 接頭017-1 TS4-M5M MINI 接頭
快速接頭 TL4-M5M      017-2 TL4-M5M
快速接頭 TL4-M5    017-3 TL4-M5
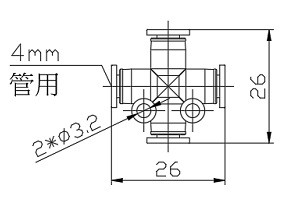
十字型四通氣管接頭 PZA4 十字型四通氣管接頭 PZA4017-8  
快速接頭 TSH6-M5M MINI接頭018 TSH6-M5M MINI接頭 
快速接頭 TS6-M5M MINI接頭    018-1 TS6-M5M MINI接頭(外六角)
飛梭接頭 LCN-6040-M5        018-2 LCN-0640-M5
飛梭接頭 LCN-0425-M5     017-4 LCN-0425-M5
快速接頭 快速接頭 TT4-M5     017-6 TT4-M5
快速接頭 L-06-A5M5-019 L-06-A5
飛梭接頭 LHN-0640-M5019-1 LHN-0640-M5
ZRE6-M5    ZRE6-M5   019-2  
飛梭接頭 LHN-0425-M5    017-2 LHN-0425-M5
快速接頭 快速接頭 ZPRS-06-B5  019-3 ZPRS-06-B5
快速接頭 ZPRL-06B5 快速接頭 ZPRL-06B5  
插芯接頭 LHN-0425-M5    019-4 LH-0640-M5

螺絲

A01-002A01-002  
螺絲 A01-002-1A01-002-1 螺絲 TN-A01-B5    
螺絲 A01-003A01-003  
TN-PC-90-A01 螺絲 TN-PC-90-A01A01-004  
TN-PC-90-A01-L30 螺絲 TN-PC-90-A01-L30     A01-011  
ZP3PA-T1JT-AG01 ZP3PA-T1JT-AG01 A01-009  
ZP3PA-T2JT-AG01 ZP3PA-T2JT-AG01    A01-010  
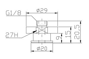
TN-G1/8-IG G1/8-AG TN-G1/8-IG G1/8-AGB01-003  
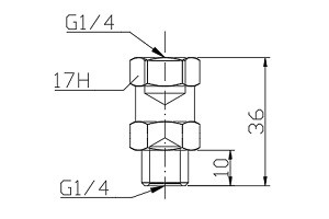
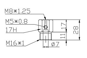
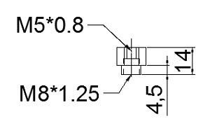
螺絲 SA-NIP N018 G1/4-AG 螺絲 SA-NIP N018 G1/4-AGB02-002-6061  
ZP3PA-T2JT-BG02  ZP3PA-T2JT-BG02 B02-003  
SA-NIP-N019-G 1/4-IG ZP3PA-T2JT-BG02 B02-005  
螺絲 SA-NIP N018 G1/4-AG 螺絲 SA-NIP N018 G1/4-AG                                                                          A02-002  
逆止閥 SVK G1/4-AG 逆止閥 SVK G1/4-AG                                                                                                                                                                                                                   A02-006  
ZP3PA-T2JT-AG02 ZP3PA-T2JT-AG02                                                                                                                                                                                                          A02-007  
吸盤固定座 TB6B5A10M10-003  TB6B5A10 
TN-PC20-A10 M10-005M10-005

PCG-10

PCG-15

PCG-18

PCG-20

PFYK-60-T     PFYK-60-T    M10-006  
螺絲 M10-007M10-007  
吸盤固定座 TB6B5A10-T 吸盤固定座 TB6B5A10-T     M10-009 PFTK-30-T (不附插心螺絲)  
吸盤固定座 TB8B5A10-T 吸盤固定座 TB8B5A10-T        M10-009-1 PFTK-50-K (不附插芯) 
吸盤固定座 TB5B5A10-30L 吸盤固定座 TB5B5A10-30L  M10-009-2  
吸盤固定座 TB5B5A10-26L 吸盤固定座 TB5B5A10-26LM10-009-3  
吸盤固定座 TN-ZP3A-T3-A12-B5 吸盤固定座 TN-ZP3A-T3-A12-B5                                                                                                                                                                                                            M12-003  
吸盤固定座 TN-ZP3A-T3-A12-04 吸盤固定座 TN-ZP3A-T3-A12-04                                                                            M12-003-1  
吸盤固定座 TN-ZP3A-B5-A12-04 吸盤固定座 TN-ZP3A-B5-A12-04                                                                                                                                   M12-003-1B5  
吸盤固定座 TN-ZP3A-T3-A12-06 吸盤固定座 TN-ZP3A-T3-A12-06                                                                                                                                             M12-003-2  
吸盤固定座 TN-ZP3A-B5-A12-06 吸盤固定座 TN-ZP3A-B5-A12-06                                                                                                                                                                                                          M12-003-2B5  
吸盤固定座 TN-ZP3A-B5-A12-B5 吸盤固定座 TN-ZP3A-B5-A12-B5                                                                                                                                                                                                          M12-003B5  
螺絲 TN-PC-90-A14 TN-PC-90-A14              M14-001 TN-PC-90-A14
吸盤固定座 TN-B6-06-A14M14-002 TN-B6-06-A14
螺絲 ZPA-T1*01 螺絲 ZPA-T1*01                                                                                             M14-003  
ZP3EA-TAL14 螺絲 ZP3EA-TAL14                                                                                              M14-005  
TN-PC-18-M5 (AL6061) TN-PC-18-M5 (AL6061)M5-032 TN-PC-18-M5 (AL6061)
ZP2A-Z01P          ZP2A-Z01P     M5-033 ZP2A-Z01P
ZP2A-Z02P        ZP2A-Z02P       M5-033-1 ZP2A-Z02P
B5B5 14L 螺絲 B5B5 14LM5-039  
RB5B5B5 RB5B5B5RB5B5B5 RB5B5B5
螺絲 VPB-T8-B5B4 螺絲 VPB-T8-B5B4  
螺絲 VPB-T8-B5B5 螺絲 VPB-T8-B5B5       
RB5B5B4 RB5B5B4  
RB8B5B6 RB8B5B6RB8B5B6  
RB6B5B6 RB6B5B6RB6B5B6  
RB8B5B6 RB8B5B6RB8B5B6  
吸盤固定座 RB5B5B5B 吸盤固定座 RB5B5B5B         
螺絲 TN-11-B5B5 螺絲 TN-11-B5B5           B05B05  
RB506B5 RB506B5                 
RB5U6B5 RB5U6B5          
RB5U6B4 RB5U6B4  
ZPY1-B5-B5 ZPY1-B5-B5     RZAB5B5
ZPY1-U6-B5 ZPY1-U6-B5 RZAU6B5
螺絲 TN-S1-24-A5 M5-035 TN-S1-24-A5
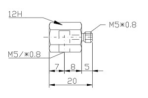
NF-M5*0.8 螺絲 NF-M5*0.8                                                                                    M5-037  
TN-ZP2A-Z21P TN-ZP2A-Z21P     M5-038 TN-ZP2A-Z21P
TN-PN-130-M5 TN-PN-130-M5        M5-040 TN-PN-130-M5
螺絲 M5-7 螺絲 M5-7        M5-042 S1-15 / S1-25
TN-S1-16A-M5 螺絲 TN-S1-16A-M5 不鏽鋼黑                                                                          M5-042-1-303  
TN-PJ-15-A5L11 螺絲 TN-PJ-15-A5L11                                                                                M5-042  
PVPL15-M4 FVPL15-M4   M4-004 PVPL15-M4
PVPL15-M5 FVPL15-M5    M5-043 PVPL15-M5
螺絲 TN-S1-10-A5 螺絲 TN-S1-10-A5         M5-044  
螺絲 TN-S1-15G-A5 螺絲 TN-S1-15G-A5     M5-046 S1-15G
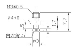
螺絲 ZP2A-S02P 螺絲 ZP2A-S02PM5-047 ZP2-06S
螺絲 ZP2A-S03P 螺絲 ZP2A-S03PM5-048 ZP2-08S
螺絲 ZP2A-S04P 螺絲 ZP2A-S04PM5-049 ZP2-10S
螺絲 ZP2A-S05P 螺絲 ZP2A-S05PM5-050 ZP2-15S
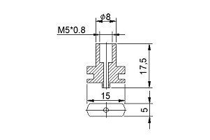
螺絲 TN-PF-50-A5 螺絲 TN-PF-50-A5                                                                                  M5-051  
ZP2A-T05ZJ-A5 ZP2A-T05ZJ-A5                                                                       053  
ZP2A-T06ZJ-A5 ZP2A-T06ZJ-A5                                                                    054  
TN-12-A5B5 螺絲 TN-12-A5B5                                                          056  
螺絲 SC 040 G1/8 AG 螺絲 SC 040 G1/8 AG                                                                                                                      A01-012-AL

SFF-15

SFF-20

SFF-25

SFF-30

ZPT3-AG01 螺絲 ZPT3-AG01                                                                                                                    A01-012-AL                                                                                                                  A01-013 ZC1-32
螺絲 SC 040 G1/4 AG 螺絲 SC 040 G1/4 AG                                                                                                                                                                                                 A02-008-AL

SFF-15

SFF-20

SFF-25

SFF-30

SA-NIPN009 G1/4-AG 螺絲 SA-NIPN009 G1/4-AG                                                                                                                                                                                                 A02-009-AL  
螺絲 ZPT4-AG02 螺絲 ZPT4-AG02                                                                                                                                                                                            A02-010 ZC1-50
螺絲 SC 030 M5 AG 螺絲 SC 030 M5 AG                                                          057

SFF-10

螺絲 SC 040 M5 AG 螺絲 SC 040 M5 AG                                                   058

SFF-15

SFF-20

SFF-25

SFF-30

RB5A5-L20 RB5A5-L20                                  059  
螺絲 SC 050 G1/4 IG 螺絲 SC 050 G1/4 IG                                                                                                                       B02-004-AL SFF-40
PVPL15-M6 FVPL15-M6M6-024 PVPL15-M6
TN-PS-10-A6 TN-PS-10-A6M6-023 TN-PS-10-A6
 TN-S1-06.5B-A6 螺絲 TN-S1-06.5B-A6 不鏽鋼        M6-026  
TN-B02-001-6061    螺絲 B02-001-6061    
吸盤固定座 RA10B01B8 螺絲 RA10B01B8   
RB6U6B6 螺絲 RB6U6B6  
B01-004 螺絲 TN-B01B6                B01-004 螺絲 TN-B01B6
逆止閥 ZP2V-B5-07        逆止閥 ZP2V-B5-07                  
逆止閥 ZP2V-A5-07       逆止閥 ZP2V-A5-07                    
螺絲 TN-PC-90-M12 TN-PC-90-M12          006 FOR PCG-90
吸盤固定座 ZP2A-Z32-1 吸盤固定座 ZP2A-Z32-1        007  
螺絲 ZPA-T2*01 螺絲 ZPA-T2*01           M16-001  

螺絲 ZPA-T3*01

 

螺絲 ZPA-T3*01     M16-002  
逆止閥 ZP2V-A5W4-07   節流孔徑 ZP2V-A5W4-07    M5-030-307  
螺絲 F40 MF-AG 3/8 AL 螺絲 F40 MF-AG 3/8 AL A03-003-AL AF1-40
螺絲 F40 MF-AG 1/4 ALB 螺絲 F40 MF-AG 1/4 ALBA02-005-ALB AF1-40
螺絲 F40 MF-BG 1/8AL 螺絲 F40 MF-BG 1/8ALB01-006-AL AF1-40
螺絲 F40 MF-AG 1/8ALB 螺絲 F40 MF-AG 1/8ALBA01-007-ALB AF1-40
螺絲 F50 MF-BG1/8 AL 螺絲 F50 MF-BG1/8 AL

AF1-50

AB2-50
 

螺絲 F30MF-AG1/4 AL 螺絲 F30MF-AG1/4 AL

AF1-20

AF1-25

AF1-30

AB2-20

L型調速接頭 JNC8-01 L型調速接頭 JNC8-01                                                        

螺絲 ZP3A-Y1-B3

 

螺絲 ZP3A-Y2-B5

 

螺絲 TN-PU-20-A14

螺絲 TN-PU-20-A14  

螺絲 TN-PU-40-A16

螺絲 TN-PU-40-A16  

螺絲 ZP3A-Y3-B5

 
金屬吸嘴頭 TN-ST-001 金屬吸嘴頭 TN-ST-001                                         

 

 
回列表