真空吸盤-抗靜電低印痕 (VACUUM PADS)

  • 真空吸盤PF系列
  • 真空吸盤PF系列
  • 真空吸盤PF系列
  • 真空吸盤PF系列

真空吸盤PF系列

  • 妙德真空吸盤PF系列:標準平型吸盤。
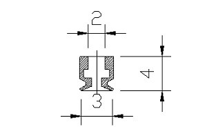
  • 真空吸盤規格: 如下圖
  • 服務:提供客戶各種真空吸盤材質予以應用,像是NBR、Silicone、VITON、FKM、導電NBR、導電矽膠、抗靜電ESD、無印痕吸盤,提升生產良率並且改善了生產時的印痕…等項目。歡迎與我們聯絡

真空吸盤作動時為了防止靜電(ESD)產生,建議選用導電真空吸盤、抗靜電真空吸盤材質(表面阻抗質請參考)

產品資訊

吸盤型號

照片

尺寸圖

備註

PF1-01.5A 真空吸盤PFG-1.5A 真空吸盤PF1-1.5A

PFG-1.5A

ZP2-B02MU

PF1-02A 真空吸盤PFG-02A 真空吸盤PF1-02A

PFG-02A

ZP2-B02MU

PF1-03A 真空吸盤PFG-03A PF1-03A PGF-03A
PF1-03.5A 真空吸盤PFG-03.5 真空吸盤PFG-03.5A

PFG-3.5A

ZP2-B035MU

PF1-05A 真空吸盤PF1-05A 真空吸盤PF1-05A PFG-5A
PF1-06A 真空吸盘PFG-06A 真空吸盘PFG-06A

PFG-06A

ZP2-B06MU

PF1-08A 真空吸盤PFG-08A 真空吸盤PFG-08A

PFG-08A

ZP2-B08MU

PF1-10A 真空吸盤PFG-10A 真空吸盤PFG-10A PFG-10A
PF1-15A 真空吸盤PFG-15A 真空吸盤PFG-15A

PFG-15A

代ZP2-B15MU

PF1-20 真空吸盤PF1-20 真空吸盤PF1-20 PFG-20
PF1-25 真空吸盤PFG-25 真空吸盤PFG-25 PFG-25
PF1-30 真空吸盤PFG-30 真空吸盤 PFG-30 PFG-30
PF1-35   真空吸盤PFG-35 PFG-35
PF1-40 真空吸盤PFG-40 真空吸盤PFG-40 PFG-40
PF1-50 真空吸盤PFG-50 真空吸盤PFG-50 PFG-50
PF1-100 真空吸盤PFG-100 真空吸盤PFG-100 PFG-100
PF1-120 真空吸盤PFG-120 真空吸盤PFG-120 PFG-120
PF1-200 真空吸盤PFG-200 真空吸盤PFG-200 PFG-200

 

回列表